- 地址:
- 河北省泊頭市富鎮開發區
- 傳真:
- 0317-8041117
- Q Q:
- 28505225
隨著工業生產的迅速發展,社會對環境保護的要求不斷提高。電除塵器作為一種治理大氣粉塵污染的設備,已廣泛應用于工業生產。
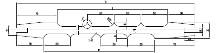
電除塵器所處的工作環境通常較為惡劣,服役一段時間后除塵效果明顯下降。某廠電除塵器中使用的極線是鋸齒線(結構如圖1所示),服役2年后電除塵器極線發生嚴重的氧化腐蝕,腐蝕產物大量剝落,極線變薄失效。據了解,該極線所處的工作環境為煤氣、CO2、O2、氧化鐵粉塵等,溫度為150℃以上。

圖1 電除塵器極線結構示意圖
試驗方法
1
宏觀檢查
宏觀檢查發現,電除塵器極線發生嚴重的氧化腐蝕,呈深褐色和紅棕色,腐蝕產物剝落(見圖2),極線的寬度、齒高和厚度發生明顯變化。

圖2 電除塵器極線宏觀形貌
2
材質分析
電除塵器極線的化學成分分析結果表明,該極線的成分符合德國DIN標準對耐熱鋼X10CrAl7的要求(見表1)。
表1 極線的化學成分分析結果和X10CrAl7的成分標準

3腐蝕產物分析
將電除塵器極線截面拋光處理后在掃描電鏡下觀察發現,極線表面存在氧化腐蝕層,厚度約為0.030mm。另外還有一條向內部擴展的裂紋,深度約為0.060mm。
對級線上的腐蝕產物進行能譜分析,分析位置和結果如圖3和表2所示。能譜分析結果表明,氧化腐蝕層中存在氧、氯等氧化腐蝕性元素。
元素的面掃描分析結果如圖4所示,由結果可見:裂紋中富集氧元素;緊靠基體表面主要含鉻、鐵的氧化物,相對較均勻;外面一層富集氯、鉀元素;好表面存在分布不連續的含鉻、鐵氧化物(見圖4)。
表2 電除塵器極線表面氧化腐蝕處的能譜成分分析結果





圖3能譜分析位置示意圖
(a)分析部位3;(b)分析部位4;(c)分析部位5






圖4 電除塵器極線截面的元素面分布
(a)電子像;(b)氧元素面分布;(c)鉻元素面分布;
(d)鐵元素面分布;(e)氯元素面分布;(f)鉀元素面分布
4金相檢驗
金相檢驗結果發現,電除塵器極線中的非金屬夾雜物含量為:A0,B0,C0,D2;顯微組織為奧氏體,奧氏體晶粒粗大(大于1級);極線表面存在沿奧氏體晶界向內擴展的裂紋。

圖5 極線截面拋光態形貌

圖6 極線截面腐蝕態形貌
分析與討論
一般來說,奧氏體晶粒在較高溫度下會長大,由于晶粒長大,晶界也變得相對較粗大。從實驗結果來看,電除塵器極線服役現場的溫度可能相當高。
失效的電除塵器極線所使用的材料為X10CrAl7耐熱不銹鋼,含鉻不銹鋼的氧化是首先在金屬表面生成較致密的Fe(Fe2-x)CrxO4,然后在外層形成Fe3O4和Fe2O3。隨著氧化腐蝕層厚度的增加,腐蝕介質擴散(傳送)到金屬表面和腐蝕產物朝相反方向的擴散比較困難,引起腐蝕作用的阻滯。
但是,由于電除塵器極線的氧化腐蝕產物中存在Cl元素,而Cl-會破壞腐蝕產物膜在試樣表面的覆蓋,加速活性區金屬溶解,同時釋放出氣態的氯。釋放出的氣態氯能擴散到氧勢較低的氧化膜-基體界面處,與基體反應生成易揮發的金屬氯化物。
在通過氧化膜內的缺陷向外擴散的過程中,該氯化物隨氧勢的升高又重新向氧化物轉變,這種轉變會在氧化膜內產生應力,破壞氧化膜的致密性及與基體的黏附性,進一步的加速腐蝕。氯化物向氧化物轉變時釋放出的部分Cl2將重新返回到基體表面繼續參與反應,直到氯鹽被消耗盡。
在此過程中,Cl2起到一種自催化作用,因而電除塵器極線外層的氧化產物遭到嚴重破壞,造成氧化皮剝落,而內層較致密的氧化膜尚未受到破壞,這時腐蝕阻滯作用降低,氧化腐蝕速度加快,結果導致電除塵器極線不斷變薄。
結 論
1.氯離子對氧化腐蝕產物造成破壞,降低腐蝕的阻滯作用,加快氧化腐蝕速度,結果導致電除塵器極線表面發生嚴重的氧化腐蝕,極線不斷變薄。
2.極線材料中的奧氏體晶粒長大,晶界也相對較粗,在氧化腐蝕氣氛中容易發生開裂。
措施與建議
1.查明電除塵器現場環境中氯離子的來源,采取合適的措施排除或控制氯離子的破壞作用,延長極線的使用壽命。
2.鉻鋼中的含鉻量在4~6%(質量分數,下同)時,其在空氣中的耐熱溫度高為650℃,而要耐1050~1100℃的高溫,鉻含量則需要達到27%,因此需要了解實際工況溫度,選擇合適的極線材料。
3.Fe—Cr合金經預氧化處理,其表面會生成一層致密的Cr2O3氧化膜,能明顯改善抗高溫氧化性能,因此可考慮對電除塵器極線采用預氧化處理,延緩其氧化腐蝕進程。

上一篇:電除塵器的基本知識
下一篇:電除塵器安裝后的調試運行淺析

